Трехфазное реле напряжения и контроля фаз РНПП-302М
Артикул: 3425600302-М
цена:
4 016 руб.
Есть в наличии
В корзину
Купить в 1 клик
Характеристики:
Индикация:
светодиоды, индикатор
Контроль обрыва фаз:
Да
Контроль чередования фаз:
Да
Контроль асимметрии фаз:
Да
Отключение защит:
Да
Настройка всех защит:
Да
Сечение подключаемого кабеля для подключения к клеммам:
0,5 – 2,5 мм²
Точность определения порога срабатывания по напряжению:
не более 1,5В
Ток коммутации:
12А
Габаритные размеры, HхBхL:
90,2×36×64,5
Масса, не более:
0,3 кг
Гарантия:
10 лет
- Краткое описание
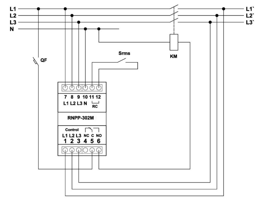
- Типовые схемы подключения
- Техническая документация
- Паспорт устройства РНПП-302М
-
Способы оплаты
Физические лица
Оплата
МИР
Visa, Mastercard
Доставка
Самовывоз со склада
Транспортная компания СДЭК
Почта России
Юридические лица
Оплата
Банковский перевод - оплата по счету
Доставка
Самовывоз со склада
Всеми основными перевозчиками
Краткое описание
Типовые схемы подключения

QF – автоматический выключатель на ток 10 А.
При использовании РНПП-302М в трехфазных сетях без нулевого провода, клемма ноль-N (клемма 10) остается свободной. В этом случае контроль должен выполняться по линейным напряжениям.
Похожие товары
Индикация:
светодиоды, индикатор
Контроль обрыва фаз:
Да
Контроль чередования фаз:
Да
Контроль асимметрии фаз:
Да
Отключение защит:
Да
Настройка всех защит:
Да
Сечение подключаемого кабеля для подключения к клеммам:
0,25 – 2,5 мм²
Точность определения порога срабатывания по напряжению:
не более 3В
Ток коммутации:
8 А
Габаритные размеры, HхBхL:
86х59х70
Масса, не более:
0,3 кг
цена:
4 790 руб.
Индикация:
светодиоды
Контроль обрыва фаз:
Да
Контроль чередования фаз:
Да
Контроль ассиметрии фаз:
Да
Отключение защит:
Нет
Максимальный ток:
Cos φ = 0,4 3 А Cos φ = 1,0 5 А
Раздельные регулировки защит:
Да
Точность определения порога срабатывания по напряжению:
не более, до 3В
Габаритные размеры, HхBхL:
90х65х70
Масса, не более:
0,2 кг
цена:
3 549 руб.